دستهبندی: .Phoenix Contact
برچسبها :
پیشرو تامین ماهان
در حال بارگزاری...




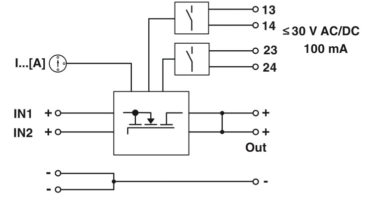
Phoenix Contact 2320173 QUINT-ORING/24DC/2X10/1X20 - Redundancy module, with protective coating
Active QUINT redundancy module for DIN rail mounting with Auto Current Balancing ACB technology and monitoring functions, input: 24 V DC, output: 24 V DC/2 x 10 A or 1 x 20 A, including mounted UTA 107/30 universal DIN rail adapter